| Material: ZG230-450 |
| Standard: CB T 34-2007 |
| Type: Deck-Mounted/Bulwark-Mounted |
| Surface: Zinc rich primer |
| Availible cert.: CCS, ABS, BV, DNV, LR and other certificates. |
CB T 34-2007 Mooring Chock

Introduction:
The mooring chock is a marine equipment installed on the bulwark or deck of a ship to guide and control the movement of the ropes. There are five types of CB T 34-2007 mooring chocks, type A, type AF, type B, type BF, and type C. We can also provide other mooring chocks, marine equipments in keeping with standards of many countries. If you want more informations about the products, please contact us.
Type A and AF:
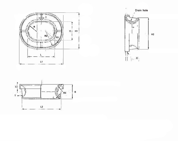
Drawings of A-type and AF-type Mooring Chock with a size of 150~300mm:

Drawings of A-type and AF-type Mooring Chock with a size of 350~550mm:

Parameters of A-type and AF-type Mooring Chock with a size of 150~550mm:
Form 1-1:
Nominal size L (mm) | Max diameter of steel cable | Max Circum -ference of hemp rope | Max diameter of synthetic Fiber rope | L1 | L2 | H | H1 | H2 | B | C |
150 | 16 | 125 | 30 | 300 | 270 | 110 | 260 | 202 | 129 | 40 |
200 | 18 | 140 | 35 | 368 | 334 | 150 | 318 | 250 | 143 | 42 |
250 | 20 | 160 | 40 | 430 | 394 | 200 | 380 | 308 | 155 | 44 |
300 | 22 | 190 | 45 | 500 | 460 | 250 | 450 | 372 | 169 | 52 |
350 | 24 | 220 | 50 | 560 | 518 | 250 | 460 | 378 | 179 | 55 |
400 | 26 | 250 | 60 | 632 | 586 | 250 | 482 | 394 | 195 | 60 |
450 | 30 | 270 | 70 | 700 | 650 | 250 | 500 | 406 | 209 | 62 |
500 | 36 | 290 | 80 | 760 | 708 | 250 | 510 | 412 | 219 | 65 |
550 | 44 | 310 | 90 | 830 | 775 | 280 | 560 | 460 | 229 | 70 |
Form 1-2:
Nominal size L (mm) | R | R1 | R2 | R3 | T | Weight of type A (kg) | Weight of type AF (kg) | |
Weight of coated stainless steel material | Weight after coating | |||||||
150 | 55 | 130 | 115 | 65 | 12 | 15 | 6 | 21 |
200 | 75 | 159 | 142 | 72 | 12 | 21 | 8 | 29 |
250 | 100 | 190 | 172 | 78 | 12 | 27 | 9 | 36 |
300 | 125 | 225 | 205 | 85 | 15 | 43 | 12 | 55 |
350 | 125 | 230 | 209 | 90 | 15 | 51 | 16 | 67 |
400 | 125 | 241 | 218 | 98 | 18 | 76 | 20 | 96 |
450 | 125 | 250 | 225 | 105 | 20 | 102 | 26 | 128 |
500 | 125 | 255 | 229 | 110 | 20 | 115 | 32 | 147 |
550 | 140 | 280 | 253 | 115 | 24 | 135 | 38 | 172 |
Type B and BF:
Drawings and Parameters of B-type and BF-type Mooring Chock with a size of 100~200mm:

Form 1-1:
Nomanal size L (mm)
| Max diameter of steel cable
| Max Circum -ference of hemp rope
| Max diameter of synthetic fiber rope
| L1 | L2 | B | H | H1 | H2 | H3 |
100 | 14 | 75 | 18 | 35 | 170 | 60 | 76 | 141 | 30 | 35 |
150 | 16 | 94 | 22 | 50 | 250 | 90 | 110 | 205 | 45 | 50 |
200 | 18 | 126 | 28 | 70 | 340 | 120 | 150 | 280 | 60 | 70 |
Form 1-2:
Nomanal size L (mm)
| R | R1 | T | (T1) | (R2) | (R3) | Weight of type B (kg)
| Weight of type BF (kg) | |
Weight of coated stainless steel material | Weight after coating | ||||||||
100 | 38 | 73 | 12 | 10 | 30 | 18 | 4 | 1 | 5 |
150 | 55 | 105 | 16 | 12 | 45 | 29 | 11 | 3 | 14 |
200 | 75 | 145 | 20 | 16 | 60 | 40 | 24 | 5 | 29 |
Drawings and Parameters of B-type and BF-type Mooring Chock with a size of 250~550mm:

Form 1-1:
Nom -inal size L (mm) | Max Diam -eter Of steel cable | Max Circum -ference Of hemp rope | Max Diam -eter of Synt -hetic Fiber rope | L1 | L2 | L3 | L4 | B | H | H1 | H2 | H3 |
250 | 20 | 160 | 40 | 92 | 100 | 250 | 434 | 160 | 200 | 372 | 80 | 92 |
300 | 22 | 190 | 45 | 114 | 110 | 300 | 528 | 200 | 250 | 464 | 100 | 114 |
350 | 24 | 220 | 50 | 125 | 125 | 350 | 600 | 220 | 250 | 485 | 110 | 125 |
400 | 26 | 250 | 60 | 136 | 135 | 370 | 672 | 240 | 250 | 506 | 120 | 136 |
450 | 30 | 270 | 70 | 148 | 150 | 400 | 746 | 260 | 250 | 528 | 130 | 148 |
500 | 36 | 290 | 80 | 160 | 175 | 450 | 820 | 280 | 250 | 550 | 140 | 160 |
550 | 44 | 310 | 90 | 172 | 190 | 500 | 894 | 300 | 260 | 570 | 145 | 165 |
Form 1-2:
Nominal size L (mm) | R | R1 | R2 | R3 | r1 | r2 | T | T1 | Weight of type A (kg) | Weight of type AF (kg) | |
Weight of coated stainless steel material | Weight after coating | ||||||||||
250 | 100 | 192 | 80 | 56 | 20 | 15 | 24 | 20 | 48 | 5 | 53 |
300 | 125 | 239 | 100 | 72 | 25 | 20 | 28 | 22 | 83 | 7 | 90 |
350 | 125 | 250 | 110 | 80 | 30 | 20 | 30 | 22 | 103 | 10 | 113 |
400 | 125 | 261 | 120 | 88 | 30 | 20 | 32 | 25 | 136 | 12 | 148 |
450 | 125 | 273 | 130 | 94 | 30 | 20 | 36 | 28 | 184 | 14 | 198 |
500 | 125 | 285 | 140 | 100 | 30 | 20 | 40 | 30 | 232 | 16 | 248 |
550 | 125 | 300 | 150 | 106 | 32 | 22 | 44 | 33 | 280 | 20 | 300 |
Type C:
Drawings and Parameters of C-type Mooring Chock with a size of 120~320mm:

Nominal size L (mm) | Max diameter of steel cable | Max Circumf -erence of hemp rope | Max diameter of synthetic fiber rope | L1 | B | B1 | d | R | R1 | t | Weight (kg) |
120 | - | 90 | 40 | 270 | 80 | 220 | 30 | 40 | 8 | 5 | 4 |
160 | 15.0 | 125 | 45 | 360 | 110 | 300 | 40 | 55 | 9 | ||
200 | 18.5 | 160 | 50 | 450 | 130 | 350 | 50 | 65 | 8 | 18 | |
260 | 22.5 | 200 | 60 | 570 | 170 | 440 | 60 | 85 | 30 | ||
320 | 28.0 | 230 | 70 | 700 | 200 | 500 | 70 | 100 | 10 | 49 |
BACK TO TOP