| Material: ZG230-450 |
| Standard: GB 11586-89 |
| Type: Deck-Mounted/Bulwark-Mounted |
| Surface: Zinc rich primer |
| Availible cert.: CCS, ABS, BV, DNV, LR and other certificates. |
GB 11586-89 Panama Chock

Introduction:
According to different installation positions, GB 11586-89 divides Panama chock into type AC, type AP, type BC and type BP. Panama chock is manufactured according to Chinese standards, but it is very similar to the Japanese standard JIS F2017-82.
Since the establishment of the company, we have established good business relationships with customers all over the world. We can customize products according to customers' drawings, and sometimes we will make professional suggestions according to customers' usage scenarios and conditions.
We can also provide many types of marine equipments. If you want more informations, please contact us by sending an email or make us a phone call.
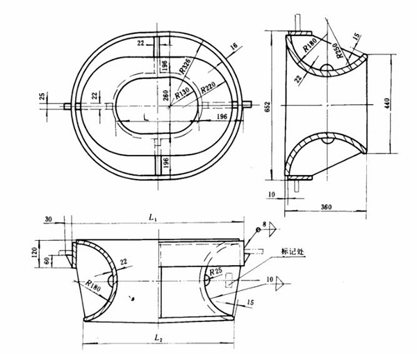
Drawings and Parameters of GB 11586-89 Panama Chock Type AC:

Unit:mm | |||||||||||||||||
L | L1 | L2 | L3 | L4 | L5 | D | H1 | H2 | H3 | R1 | R2 | R3 | R4 | R5 | K | T | Weight (kg) |
310 | 199 | 105 | 310 | 708 | 652 | 38 | 639 | 541 | 199 | 329 | 231 | 140 | 142 | 195 | 15 | 32 | 253 |
360 | 200 | 130 | 360 | 760 | 704 | 40 | 640 | 542 | 200 | 330 | 232 | 138 | 140 | 192 | 15 | 34 | 289 |
400 | 202 | 150 | 400 | 804 | 750 | 44 | 642 | 545 | 202 | 332 | 235 | 134 | 136 | 185 | 20 | 36 | 323 |
450 | 203 | 175 | 450 | 856 | 802 | 46 | 643 | 547 | 203 | 333 | 237 | 132 | 134 | 182 | 20 | 38 | 351 |
500 | 204 | 200 | 500 | 908 | 854 | 48 | 644 | 549 | 204 | 334 | 239 | 130 | 132 | 180 | 20 | 40 | 395 |
Drawings and Parameters of GB 11586-89 Panama Chock Type AP:

Nominal size | L1 | L2 | L3 | L4 | Weight (kg) |
310 | 85 | 155 | 670 | 620 | 190 |
360 | 110 | 180 | 720 | 670 | 207 |
Drawings and Parameters of GB 11586-89 Panama Chock Type BC:

Unit:mm | |||||||||||||||
L | L1 | L2 | L3 | D | H1 | H2 | H3 | R1 | R2 | R3 | R4 | R5 | K | T | Weight (kg) |
310 | 212 | 734 | 652 | 38 | 212 | 684 | 462 | 342 | 231 | 148 | 140 | 195 | 15 | 32 | 276 |
360 | 214 | 788 | 704 | 40 | 214 | 688 | 464 | 344 | 232 | 146 | 138 | 192 | 15 | 34 | 305 |
400 | 216 | 832 | 750 | 44 | 216 | 692 | 470 | 346 | 235 | 144 | 134 | 185 | 20 | 36 | 344 |
450 | 218 | 886 | 802 | 46 | 218 | 696 | 474 | 348 | 237 | 142 | 132 | 182 | 20 | 38 | 385 |
500 | 220 | 940 | 854 | 48 | 220 | 700 | 478 | 350 | 239 | 140 | 130 | 180 | 20 | 40 | 422 |
Drawings and Parameters of GB 11586-89 Panama Chock Type BP:

Nominal size | L1 | L2 | Weight (kg) |
310 | 702 | 620 | 184 |
360 | 752 | 670 | 193 |
Picture of GB 11586-89 Panama Chock:

BACK TO TOP