
JCL-58 Marine Or Navy Centrifugal Fan
JCL-58 is suitable for cabin air ventilating and exchanging as well as boiler ventilation on the ocean-going vessels. They are also applicable in other places that suit.
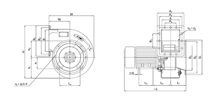
Drawing and Dimensions

Type | Flow rate m³/h | Total pressure Pa | Static pressure Pa | Speed r/min | Motor | A | A₁ | A₂ | A₃ | B | B₁ | B₂ | B₃ | D₃ | D₁ | D₂ | ||
Freq Hz | Power Kw | Type | 420 | 508 | 468 | 350 | 560 | 646 | 606 | 480 | Ø600 | Ø686 | Ø650 | |||||
JCL-58 | 16000 | 1200 | 1020 | 970 | 50 | 15 | Y180L-6H | |||||||||||
17000 | 1180 | 930 | ||||||||||||||||
18000 | 1160 | 880 | ||||||||||||||||
19000 | 980 | 640 | ||||||||||||||||
14000 | 680 | 570 | 870 | 60 | 11 | Y180L-8H | ||||||||||||
15000 | 660 | 520 | ||||||||||||||||
16000 | 650 | 500 | ||||||||||||||||
16500 | 550 | 360 | ||||||||||||||||
19000 | 1200 | 1020 | 1160 | 18.5 | Y200L₁-6H | |||||||||||||
20000 | 1180 | 930 | ||||||||||||||||
21500 | 1160 | 880 | ||||||||||||||||
22500 | 640 | 840 | ||||||||||||||||
Type | Motor type | n1*d1 | n2*d2 | 4-K | L₁ | L₂ | L₃ | L₄ | h | h₁ | h₂ | H | M₁ | M | L | Weight ≈㎏ |
JCL-58 | Y180L-6H | 12-Ø15 | 14-Ø15 | 4-Ø15 | 270 | 340 | 279 | 279 | 180 | 470 | 355 | 1152 | 454 | 1010 | 1080 | 395 |
Y180L-8H | 384 | |||||||||||||||
Y200L₁-6H | 352 | 305 | 318 | 200 | 1115 | 420 |
BACK TO TOP