| Quantity: 0 pieces |
| Grade: grade 2/grade 3 |
| Material: CM490/CM690 |
| Surface treatment: Bituminous paint, Hot dip galvanized |
| Availible cert.: CCS, ABS, BV, DNV, LR and other certificates. |
Anchor Chain for Buoy Mooring System

Application:
Composed of Saddle Chain, Short Chain, Half-length Chain, Full-length Chain and connecting shackle, end shackle, swivel and other accessories, used for mooring or fixing various buoys.
Normal Connection Type of Anchor Chain for Buoy Mooring System:

Drawings and Parameters of Studless Common Link and End Link for Buoy Mooring System:

Studless Link | End Link | ||||
d (mm) | L (mm) | B (mm) | d 2 (mm) | L (mm) | B (mm) |
11 | 55 | 37 | 13 | 74 | 44 |
12.5 | 63 | 43 | 16 | 86 | 50 |
14 | 70 | 48 | 17.5 | 96 | 56 |
16 | 80 | 54 | 19 | 108 | 64 |
17.5 | 88 | 60 | 20.5 | 117 | 70 |
19 | 95 | 65 | 22 | 127 | 76 |
20.5 | 103 | 70 | 24 | 137 | 82 |
22 | 110 | 75 | 26 | 148 | 88 |
24 | 120 | 82 | 28 | 160 | 96 |
26 | 130 | 88 | 32 | 177 | 104 |
28 | 140 | 95 | 34 | 190 | 112 |
30 | 150 | 102 | 36 | 203 | 120 |
32 | 160 | 109 | 38 | 215 | 128 |
34 | 170 | 116 | 40 | 228 | 136 |
36 | 180 | 122 | 44 | 245 | 144 |
38 | 190 | 129 | 46 | 257 | 152 |
40 | 200 | 136 | 48 | 270 | 160 |
42 | 210 | 143 | 50 | 283 | 168 |
44 | 220 | 150 | 52 | 295 | 176 |
46 | 230 | 156 | 56 | 312 | 184 |
48 | 240 | 163 | 58 | 325 | 192 |
50 | 250 | 170 | 60 | 338 | 200 |
Drawings and Parameters of Joining Shackle with Cotter Pin for Buoy Mooring System:

d (mm) | d3 (mm) | L (mm) | B (mm) | a 1 (mm) | e 1 (mm) | f1 (mm) | g1 (mm) | L1 (mm) | b (mm) | c (mm) | b1 (mm) | h1 (mm) | h2 (mm) |
11 | 14 | 78 | 44 | 9 | 18 | 31 | 2 | 69 | 8 | 5 | 16 | 30 | 45 |
12.5 | 16 | 89 | 50 | 10 | 20 | 35 | 2.5 | 75 | 8 | 5 | 16 | 30 | 45 |
14 | 19 | 99 | 56 | 11 | 23 | 39 | 3 | 80 | 8 | 5 | 16 | 38 | 53 |
16 | 20.5 | 114 | 64 | 13 | 26 | 45 | 3 | 90 | 8 | 5 | 16 | 35 | 53 |
17.5 | 23 | 124 | 70 | 14 | 28 | 49 | 3.5 | 105 | 14 | 8 | 22 | 46 | 61 |
19 | 25 | 135 | 76 | 15 | 30 | 53 | 4 | 110 | 14 | 8 | 22 | 46 | 61 |
20.5 | 27 | 146 | 82 | 16.5 | 33 | 57 | 4 | 117 | 14 | 8 | 22 | 46 | 61 |
22 | 29 | 156 | 88 | 17.5 | 35 | 61 | 4.5 | 125 | 14 | 8 | 22 | 58 | 73 |
24 | 31 | 170 | 96 | 19 | 38 | 67 | 5 | 130 | 14 | 8 | 22 | 58 | 73 |
26 | 34 | 185 | 104 | 21 | 42 | 73 | 5 | 140 | 14 | 8 | 22 | 58 | 73 |
28 | 36 | 199 | 112 | 22.5 | 45 | 78 | 5.5 | 165 | 20 | 12 | 25 | 75 | 90 |
30 | 39 | 213 | 120 | 24 | 48 | 84 | 6 | 170 | 20 | 12 | 25 | 75 | 90 |
32 | 42 | 227 | 128 | 25.5 | 51 | 90 | 6.5 | 178 | 20 | 12 | 25 | 75 | 90 |
34 | 44 | 241 | 136 | 27 | 54 | 95 | 7 | 185 | 20 | 12 | 25 | 90 | 105 |
36 | 47 | 256 | 144 | 29 | 58 | 101 | 7 | 194 | 20 | 12 | 25 | 90 | 105 |
38 | 49 | 271 | 152 | 31 | 62 | 106 | 7.5 | 200 | 20 | 12 | 25 | 90 | 105 |
40 | 52 | 284 | 160 | 32 | 64 | 112 | 8 | 215 | 27 | 16 | 37 | 105 | 120 |
42 | 55 | 300 | 168 | 34 | 68 | 118 | 8.5 | 225 | 27 | 16 | 37 | 105 | 120 |
44 | 57 | 312 | 176 | 35 | 70 | 123 | 9 | 233 | 27 | 16 | 37 | 105 | 120 |
46 | 60 | 327 | 184 | 37 | 74 | 129 | 9 | 240 | 27 | 16 | 37 | 120 | 135 |
48 | 62 | 341 | 192 | 38.5 | 77 | 134 | 9.5 | 250 | 27 | 16 | 37 | 120 | 135 |
50 | 65 | 355 | 200 | 40 | 80 | 140 | 10 | 255 | 27 | 16 | 37 | 120 | 135 |
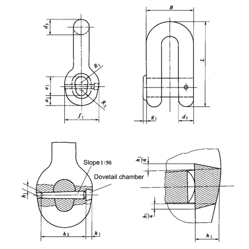
Drawings and Parameters of Joining Shackle with Retaining Pin for Buoy Mooring System:

d (mm) | d3 (mm) | L (mm) | B (mm) | a1 (mm) | e1 (mm) | f1 (mm) | g1 (mm) | h1 (mm) | h2 (mm) | 2R1 (mm) | 2R2 (mm) |
11 | 14 | 78 | 44 | 9 | 18 | 31 | 2 | 4 | 23 | 13 | 11 |
12.5 | 16 | 89 | 50 | 10 | 20 | 35 | 2.5 | 4 | 25 | 15 | 12.5 |
14 | 19 | 99 | 56 | 11 | 23 | 39 | 3 | 6 | 28 | 17 | 14 |
16 | 20.5 | 114 | 64 | 13 | 26 | 45 | 3 | 6 | 32 | 19 | 16 |
17.5 | 23 | 124 | 70 | 14 | 28 | 49 | 3.5 | 6 | 38 | 21 | 17.5 |
19 | 25 | 135 | 76 | 15 | 30 | 53 | 4 | 6 | 40 | 23 | 19 |
20.5 | 27 | 146 | 82 | 16.5 | 33 | 57 | 4 | 6 | 45 | 25 | 20.5 |
22 | 29 | 156 | 88 | 17.5 | 35 | 61 | 4.5 | 6 | 50 | 27 | 22 |
24 | 31 | 170 | 96 | 19 | 38 | 67 | 5 | 6 | 55 | 29 | 24 |
26 | 34 | 185 | 104 | 21 | 42 | 73 | 5 | 6 | 60 | 31 | 26 |
28 | 36 | 199 | 112 | 22.5 | 45 | 78 | 5.5 | 6 | 65 | 34 | 28 |
30 | 39 | 213 | 120 | 24 | 48 | 84 | 6 | 6 | 70 | 36 | 30 |
32 | 42 | 227 | 128 | 25.5 | 51 | 90 | 6.5 | 6 | 80 | 38 | 32 |
34 | 44 | 241 | 136 | 27 | 54 | 95 | 7 | 6 | 85 | 41 | 34 |
36 | 47 | 256 | 144 | 29 | 58 | 101 | 7 | 10 | 80 | 43 | 36 |
38 | 49 | 271 | 152 | 31 | 62 | 106 | 7.5 | 10 | 85 | 46 | 38 |
40 | 52 | 284 | 160 | 32 | 64 | 112 | 8 | 10 | 90 | 48 | 40 |
42 | 55 | 300 | 168 | 34 | 68 | 118 | 8.5 | 10 | 100 | 50 | 42 |
44 | 57 | 312 | 176 | 35 | 70 | 123 | 9 | 10 | 100 | 53 | 44 |
46 | 60 | 327 | 184 | 37 | 74 | 129 | 9 | 10 | 110 | 55 | 46 |
48 | 62 | 341 | 192 | 38.5 | 77 | 134 | 9.5 | 12 | 110 | 58 | 48 |
50 | 65 | 355 | 200 | 40 | 80 | 140 | 10 | 12 | 115 | 60 | 50 |
Drawings and Parameters of End Shackle with Cotter Pin for Buoy Mooring System:

d (mm) | d5 (mm) | L (mm) | B (mm) | a2 (mm) | e2 (mm) | f2 (mm) | g2 (mm) | L1 (mm) | b (mm) | c (mm) | b1 (mm) | h1 (mm) | h2 (mm) |
11 | 15 | 96 | 57 | 10 | 20 | 34 | 2 | 77 | 10 | 5 | 15 | 30 | 36 |
12.5 | 17.5 | 109 | 65 | 11 | 23 | 39 | 2.5 | 85 | 10 | 5 | 15 | 35 | 42 |
14 | 19.5 | 122 | 73 | 12.5 | 25 | 43 | 3 | 97 | 13 | 6 | 19 | 39 | 47 |
16 | 22.5 | 139 | 83 | 14.5 | 29 | 50 | 3 | 107 | 13 | 6 | 19 | 45 | 54 |
17.5 | 24.5 | 152 | 91 | 15.5 | 31 | 54 | 3.5 | 115 | 13 | 6 | 19 | 49 | 59 |
19 | 26.5 | 165 | 99 | 17 | 34 | 59 | 4 | 123 | 13 | 6 | 19 | 53 | 64 |
20.5 | 28.5 | 178 | 107 | 18.5 | 37 | 64 | 4 | 131 | 13 | 6 | 19 | 57 | 68 |
22 | 31 | 191 | 114 | 20 | 39 | 68 | 4.5 | 138 | 13 | 6 | 19 | 62 | 75 |
24 | 34 | 209 | 125 | 22 | 43 | 74 | 5 | 165 | 25 | 12 | 35 | 68 | 82 |
26 | 37 | 226 | 135 | 23 | 46 | 81 | 5 | 175 | 25 | 12 | 35 | 74 | 89 |
28 | 39 | 244 | 146 | 25 | 51 | 87 | 5.5 | 186 | 25 | 12 | 35 | 78 | 94 |
30 | 42 | 261 | 156 | 27 | 54 | 93 | 6 | 196 | 25 | 12 | 35 | 84 | 100 |
32 | 45 | 278 | 166 | 29 | 57 | 99 | 6.5 | 206 | 25 | 12 | 35 | 90 | 108 |
34 | 48 | 296 | 176 | 30 | 62 | 105 | 7 | 216 | 25 | 12 | 35 | 96 | 115 |
36 | 50 | 313 | 187 | 32 | 65 | 112 | 7 | 237 | 32 | 16 | 45 | 100 | 120 |
38 | 53 | 131 | 198 | 34 | 69 | 118 | 7.5 | 248 | 32 | 16 | 45 | 106 | 127 |
40 | 56 | 348 | 208 | 36 | 72 | 124 | 8 | 258 | 32 | 16 | 45 | 112 | 135 |
42 | 59 | 365 | 218 | 38 | 75 | 130 | 8.5 | 270 | 32 | 16 | 45 | 118 | 142 |
44 | 62 | 383 | 229 | 40 | 79 | 136 | 9 | 281 | 32 | 16 | 45 | 124 | 150 |
46 | 64 | 400 | 239 | 41 | 83 | 143 | 9 | 290 | 32 | 16 | 45 | 128 | 154 |
48 | 67 | 418 | 250 | 43 | 87 | 149 | 9.5 | 315 | 45 | 22 | 65 | 134 | 160 |
50 | 70 | 435 | 260 | 45 | 90 | 155 | 10 | 325 | 45 | 22 | 65 | 140 | 168 |
Drawings and Parameters of End Shackle with Retaining Pin for Buoy Mooring System:

d (mm) | d5 (mm) | L (mm) | B (mm) | a2 (mm) | e2 (mm) | f2 (mm) | g2 (mm) | h1 (mm) | h2 (mm) | m (mm) |
11 | 15 | 96 | 57 | 10 | 20 | 34 | 2 | 4 | 26 | 15 |
12.5 | 17.5 | 109 | 65 | 11 | 23 | 39 | 2.5 | 4 | 28 | 17.5 |
14 | 19.5 | 122 | 73 | 12.5 | 25 | 43 | 3 | 6 | 30 | 19.5 |
16 | 22.5 | 139 | 83 | 14.5 | 29 | 50 | 3 | 6 | 35 | 22.5 |
17.5 | 24.5 | 152 | 91 | 15.5 | 31 | 54 | 3.5 | 6 | 40 | 24.5 |
19 | 26.5 | 165 | 99 | 17 | 34 | 59 | 4 | 6 | 45 | 26.5 |
20.5 | 28.5 | 178 | 107 | 18.5 | 37 | 64 | 4 | 6 | 45 | 28.5 |
22 | 31 | 191 | 114 | 20 | 39 | 68 | 4.5 | 6 | 50 | 31 |
24 | 34 | 209 | 125 | 22 | 43 | 74 | 5 | 6 | 55 | 34 |
26 | 37 | 226 | 135 | 25 | 46 | 81 | 5 | 6 | 60 | 37 |
28 | 39 | 244 | 146 | 25 | 51 | 87 | 5.5 | 6 | 70 | 39 |
30 | 42 | 261 | 156 | 27 | 54 | 93 | 6 | 6 | 75 | 42 |
32 | 45 | 278 | 166 | 29 | 57 | 99 | 6.5 | 6 | 80 | 45 |
34 | 48 | 296 | 176 | 30 | 62 | 105 | 7 | 6 | 85 | 48 |
36 | 50 | 313 | 187 | 32 | 65 | 112 | 7 | 10 | 85 | 50 |
38 | 53 | 331 | 198 | 34 | 69 | 118 | 7.5 | 10 | 90 | 53 |
40 | 56 | 348 | 208 | 36 | 72 | 124 | 8 | 10 | 95 | 56 |
42 | 59 | 365 | 218 | 39 | 75 | 130 | 8.5 | 10 | 100 | 59 |
44 | 62 | 383 | 229 | 40 | 79 | 136 | 9 | 10 | 110 | 62 |
46 | 64 | 400 | 239 | 41 | 83 | 143 | 9 | 10 | 115 | 64 |
48 | 67 | 418 | 250 | 43 | 87 | 149 | 9.5 | 12 | 115 | 67 |
50 | 70 | 435 | 260 | 45 | 90 | 155 | 10 | 12 | 120 | 70 |
Drawings and Parameters of Round Link for Buoy Mooring System:

d(mm) | d7(mm) | B(mm) |
11 | 17 | 88 |
12.5 | 18 | 108 |
14 | 22 | 112 |
16 | 24 | 128 |
17.5 | 25 | 140 |
19 | 29 | 152 |
20.5 | 31 | 164 |
22 | 34 | 176 |
24 | 36 | 192 |
26 | 39 | 208 |
28 | 40 | 224 |
30 | 45 | 240 |
32 | 48 | 256 |
34 | 50 | 272 |
36 | 54 | 288 |
38 | 56 | 304 |
40 | 60 | 320 |
42 | 63 | 336 |
44 | 66 | 352 |
46 | 69 | 368 |
48 | 72 | 384 |
Drawings and Parameters of Swivel for Buoy Mooring System:

d (mm) | d6 (mm) | L (mm) | B (mm) | H (mm) | d7 (mm) | d8 (mm) | P (mm) | a3 (mm) | h4 (mm) | c3 (mm) | m1 (mm) |
11 | 13 | 107 | 52 | 37 | 12 | 15 | 37 | 19 | 15 | 37 | 22 |
12.5 | 15 | 121 | 59 | 43 | 14 | 18 | 43 | 22 | 18 | 42 | 25 |
14 | 17 | 136 | 66 | 48 | 15 | 20 | 48 | 25 | 20 | 47 | 28 |
16 | 19 | 155 | 75 | 54 | 18 | 22 | 54 | 28 | 22 | 54 | 32 |
17.5 | 21 | 170 | 82 | 60 | 19 | 25 | 60 | 31 | 25 | 59 | 35 |
19 | 23 | 184 | 89 | 65 | 21 | 27 | 65 | 33 | 27 | 64 | 38 |
20.5 | 25 | 199 | 96 | 70 | 23 | 29 | 70 | 36 | 29 | 69 | 41 |
22 | 16 | 213 | 103 | 75 | 24 | 31 | 75 | 39 | 31 | 74 | 44 |
24 | 29 | 233 | 113 | 82 | 26 | 34 | 82 | 42 | 34 | 80 | 48 |
26 | 31 | 252 | 122 | 88 | 29 | 36 | 88 | 46 | 36 | 87 | 52 |
28 | 34 | 272 | 132 | 95 | 31 | 39 | 95 | 49 | 39 | 94 | 56 |
30 | 36 | 291 | 141 | 102 | 33 | 42 | 102 | 53 | 42 | 101 | 60 |
32 | 38 | 310 | 150 | 109 | 35 | 45 | 109 | 56 | 45 | 107 | 64 |
34 | 41 | 330 | 160 | 116 | 37 | 48 | 116 | 60 | 48 | 114 | 68 |
36 | 43 | 349 | 169 | 122 | 40 | 50 | 122 | 63 | 50 | 121 | 72 |
38 | 46 | 369 | 179 | 129 | 42 | 53 | 129 | 67 | 53 | 127 | 76 |
40 | 48 | 388 | 188 | 136 | 44 | 56 | 136 | 70 | 56 | 134 | 80 |
42 | 50 | 407 | 197 | 143 | 46 | 59 | 143 | 74 | 59 | 141 | 84 |
44 | 53 | 427 | 207 | 150 | 48 | 62 | 150 | 77 | 62 | 147 | 88 |
46 | 55 | 446 | 216 | 156 | 51 | 64 | 156 | 81 | 64 | 154 | 92 |
48 | 58 | 466 | 226 | 163 | 53 | 67 | 163 | 84 | 67 | 161 | 96 |
50 | 60 | 485 | 235 | 170 | 55 | 70 | 170 | 88 | 70 | 168 | 100 |
Saddle Chain, Short Chain, Half-length Chain, Full-length Chain Reference Connection:
Form 1-1
Link Chain Dia. (mm) | |||||||
Common Link d | Elarged Link d1 | End Link d2 | Bolded Link d4 | Swivel
d6 | End Shackle d5 | Joining Shackle d3 | Round Link d7 |
11 | 12.5 | 13 | - | 13 | 15 | 14 | 17 |
12.5 | 14 | 16 | - | 15 | 17.5 | 46 | 18 |
14 | 16 | 17.5 | - | 17 | 19.5 | 19 | 22 |
17.5 | 19 | 20.5 | - | 21 | 24.5 | 23 | 25 |
22 | 24 | 26 | - | 26 | 31 | 29 | 34 |
28 | 30 | 34 | 40 | 34 | 39 | 36 | 40 |
34 | 36 | 40 | 46 | 41 | 48 | 44 | 50 |
38 | 40 | 46 | 50 | 46 | 53 | 49 | 56 |
Form 1-2
Link Chain Dia. (mm) | Saddle Chain | Short Chain | Half-length Chain | Full-length Chain | Applicable Buoy Specifications | ||||
Common Link d | Length (m) | Weight (kg) | Length (m) | Weight (kg) | Length (m) | Weight (kg) | Length (m) | Weight (kg) | |
11 | 2.27 | 3.89 | 4.5 | 6.04 | 13.7 | 17.97 | 27.5 | 35.91 | HF0.6-D1 |
12.5 | 2.72 | 7.59 | 4.5 | 11.63 | 13.7 | 34.03 | 27.5 | 67.63 | HF0.8-D1 |
14 | 2.76 | 10.37 | 4.5 | 16.24 | 13.7 | 47.64 | 27.5 | 94.37 | HF1.08-D1 |
17.5 | 2.77 | 18.44 | 4.5 | 27.78 | 13.7 | 81.64 | 27.5 | 162.42 | HF1.2-D1 |
22 | 2.79 | 31.73 | 4.5 | 47.03 | 13.7 | 136.75 | 27.5 | 269.71 | HF1.5-D1 |
28 | 3.94 | 65.42 | 4.5 | 79.39 | 13.7 | 222.58 | 27.5 | 442.36 | HF1.8-D1 |
34 | 5.26 | 153.65 | 4.5 | 114.15 | 13.7 | 328.86 | 27.5 | 650.91 | HF2.4-D1 |
38 | 5.24 | 197.44 | 4.5 | 136.26 | 13.7 | 397.66 | 27.5 | 774.37 | HF2.4-D2 |
Picture of Anchor Chain for Buoy Mooring System:

BACK TO TOP